O disjuntor de conchas de concha de plástico da série DZ20 (a seguir referido como disjuntor) é adequado para linhas de distribuição com 50Hz, a corrente classificada até 1250A, a tensão de isolamento nominal de 660V, a tensão de trabalho classificada de 380V (400V) e abaixo, como sobrecarga, de curto -circuito e proteção contra volita para distribuição de distribuição, Entre eles, os disjuntores do tipo Y, J e G com corrente nominal de 225A e Y tipo 400A também podem ser usados para proteger os motores. Em circunstâncias normais, o disjuntor pode ser usado para troca frequente de linhas e início pouco frequente de motores.
O produto atende aos seguintes padrões: JB8589 、 GB14048.2 、 IEC947-2.
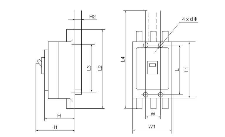
Esta série de disjuntores é baseada no produto em forma de Y e consiste em quatro partes: shell de isolamento, mecanismo de operação, sistema de contato e dispositivo de liberação.
O mecanismo operacional de um disjuntor tem a função de fechar e desconectar rapidamente os contatos, e seu "fechamento", "abrindo" e "a posição da alça distingue as posições de disparo livre".
Os disjuntores do tipo C e J são derivados e projetados com base no produto básico do tipo Y. Os disjuntores do tipo J melhoram a estrutura dos contatos dos disjuntores do tipo Y, para que, no caso de um curto-circuito, os contatos dinâmicos e estáticos possam se desconectar rapidamente antes que o mecanismo seja ativado, atingir o objetivo de melhorar a capacidade de ruptura.




